KBA127
【200万】矿用隔爆型摄像仪
用于具有I类气体组别以下(典型气体为甲烷、瓦斯等),诸如煤矿井下有瓦斯、煤尘爆炸危险的高危场所。外壳采用304不锈钢材料,视窗采用特殊的钢化玻璃制作,能在-40℃~60℃的环境中长时间使用;摄像仪具有体积小、重量轻、防爆、防水、防尘、防震等特点,能在光线较暗的环境中获得良好的监视效果,是煤矿工业监控安防系统中的重要组成部分。
● 最高分辨率可达1920×1080 @ 30 fps,在该分辨率下可输出实时图像
● 采用ROI等视频压缩技术,压缩比高,且处理非常灵活,超低码率
● 码流平滑设置,适应不同场景下对图像质量、流畅性的不同要求
● 支持GBK字库,支持更多汉字及生僻字叠加
● 支持OSD颜色自选
● 支持走廊模式,背光补偿,自动电子快门功能,适应不同监控环境
● 功能齐全:心跳,镜像,一键恢复等
● 支持智能报警:越界侦测,区域入侵侦测
● 支持智能后检索,配合NVR支持事件的二次检索分析
● 支持GB28181接入,支持EHOME平台接入,支持EZVIZ平台接入
● 支持NAS、Email、FTP、NTP服务器测试
● 支持HTTPS,SSH等安全认证,支持创建证书
● 支持用户登录锁定机制,及密码复杂度提示
● 支持报警1进1出,音频1进1出,128G SD卡,485,BNC
● 视窗采用特种防爆玻璃,玻璃表面经纳米技术处理,光通率高、不粘水、不粘油、排斥灰尘
● 内置半导体可控温组件,实现自动加热和散热功能
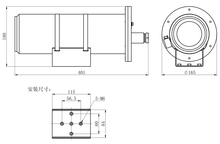
产品型号 | KBA127 |
防爆标志 | Ex db ⅡC T6 Gb/Ex tb IIIC T80℃ Db |
防护等级 | IP68 |
传感器 | 1/2.7 英寸 CMOS |
镜头 | 2.7-13.5mm 手动调焦 |
快门 | 1/3秒至1/100,000秒 |
自动光圈 | DC驱动 |
日夜转换模式 | ICR红外滤片式 |
宽动态范围 | 数字宽动态 |
数字降噪 | 3D数字降噪 |
慢快门 | 支持 |
视频压缩标准 | H.264/MJPEG |
压缩输出码率 | 32 Kbps~8Mbps |
音频压缩码率 | 64Kbps(G.711) / 16Kbps(G.726) / 32-128Kbps(MP2L2) |
最大图像尺寸 | 1920 × 1080 |
帧率 | 50Hz: 25fps (1920 × 1080,1280 × 960,1280 × 720) 60Hz: 30fps (1920 × 1080,1280 × 960,1280 × 720) |
图像设置 | 走廊模式,饱和度,亮度,对比度,锐度通过客户端或者浏览器可调 |
背光补偿 | 支持,可选择区域 |
日夜转换方式 | 自动,定时,报警触发 |
感兴趣区域 | ROI支持双码流分别设置1个固定区域 |
存储功能 | 支持Micro SD/SDHC/SDXC卡(128G)断网本地存储,NAS(NFS,SMB/CIFS均支持) |
接口协议 | ONVIF,PSIA,CGI,ISAPI,GB28181 |
智能报警 | 移动侦测,动态分析,遮挡报警,网线断,IP地址冲突,存储器满,存储器错 |
智能报警 | 越界侦测,区域入侵侦测 |
支持协议 | TCP/IP,ICMP,HTTP,HTTPS,FTP,DHCP,DNS,DDNS,RTP,RTSP,RTCP,NTP,UPnP,SMTP,IGMP,802.1X,QoS,IPv6,Bonjour |
通用功能 | 一键恢复,防闪烁,双码流,心跳,镜像,密码保护,视频遮盖,水印技术, 匿名访问,IP地址过滤 |
通讯接口 | 1个RJ45 10M/100M自适应以太网口,1个RS-485接口(可选配光纤接口) |
视频输出 | 1Vp-p Composite Output(75Ω/BNC) |
存储功能 | 支持 Micro SD 卡存储 , 最大容量 128GB |
音频接口 | 1 进 1 出(可选配) |
报警接口 | 1 进 1 出(可选配) |
温度范围 | -40℃~+60℃ |
供电方式 | DC12V 18W/AC85V ~ 260V/POE( 可选配) |
产品材质 | 304 不锈钢材质(化工、酸碱等强腐蚀性环境使用) |
进线孔规格 | 2 个 G3/4" 进线孔 |
安装方式 | 电动云台、万向结、固定支架、立柱 |
产品重量 | ≤8kg |

防爆设备控制箱
防爆设备控制箱
● 防爆等级 :Ex db ⅡC T6 Gb/Ex tb IIIC T80℃ Db
● 防护等级IP68
● 具备6个G-3/4”出线孔,也可根据客户要求定做
● 可安装电源、空开、光纤收发器、防雷模块、终端盒等其他相关设备
● 采用304不锈钢材料制造,适合强腐蚀性环境使用
● 可根据客户需要定制非标防爆控制箱
产品型号 | HB-EX08 |
防爆标志 | Ex d IIC T6 Gb/Ex tD A21 IP68 T80℃ |
防护等级 | IP68 |
温度范围 | -40℃~ 60℃ |
产品材质 | 304 不锈钢材质(化工、酸碱等强腐蚀性环境使用) |
相对湿度 | 不大于 95%(+25°C) |
大气气压 | 80kpa ~ 106kpa |
恒温系统 | 可选配 |
外形尺寸 | 340mm*304mm*168( 把手高 24mm) |
内腔尺寸 | 252mm*252mm*116mm |
出线孔数量/规格 | 6 个 G3/4" 进线孔(可选配) |
安装方式 | 壁装、固定支架、立柱 \ 平台 |
产品重量 | ≤15kg |
防爆摄像机支架
防爆摄像机支架
● 304不锈钢材质,适用于强腐蚀性环境使用
● 用于安装防爆枪式摄像仪等相关专用设备
● 具有耐燃、耐腐蚀、耐水、耐老化、结构稳固,提高现场可靠性
产品型号 | HB-06S-B |
承载能力 | ≤40kg |
产品材质 | 不锈钢304 |
外形尺寸 | 373mm*147mm*163mm |
产品重量 | ≤2kg |
防爆挠性软管
防爆挠性软管
● 304不锈钢材质,适用于强腐蚀性环境使用
● 用于连接防爆摄像仪与防爆箱等专用防爆设备
● 具有耐燃、耐腐蚀、耐水、耐老化、结构稳固,提高现场可靠性
产品型号 | 接口 | 内径 | 长度 |
HB-R18-1000 | G3/4"-G3/4" | 18mm | 1000 |
G3/4"-20*1.5mm | 13mm | 1000 | |
HB-R13-1000 | G1/2"-20*1.5mm | 13mm | 1000 |
G3/4"-20*1.5mm | 13mm | 1000 | |
HB-R13-700 | G3/4"-20*1.5mm | 13mm | 700 |
G1/2"-20*1.5mm | 13mm | 700 |
